New York has some of the world’s most congested airspace, so it’s important for pilots to be prepared, brief the approach, etc. Here’s an example of two airline pilots who seemingly approached New York Kennedy Airport (JFK) completely unprepared, in a way that’s rather concerning.
I’m not sure if there was the perfect storm of issues that somehow caused the pilots to get into this situation, or if this level of unpreparedness is common at the airline. On the plus side, kudos to the JFK controllers for keeping their calm, and not being jerks, for once!
In this post:
Viva A321neo approaches JFK with clueless pilots
YouTube channel You can see ATC has air traffic control audio and a visualization of an interaction that happened at JFK on the early afternoon of December 18, 2025, as Viva flight VB100 was approaching the airport, after a roughly 4hr20min flight from Mexico City (MEX). For those not familiar, Viva is a Mexican low cost carrier, and the flight was operated by an Airbus A321neo with the registration code XA-VXR.
If you’re into this kind of stuff, I’d recommend watching the below video, since a key part of what makes this interesting is the level of confusion and poor communication of the Viva crew.
The Viva plane was landing on runway 13L, and not only is New York airspace complicated, but this is an especially challenging approach, as it requires a last minute turn. But what’s kind of shocking is how you can tell from early on that the pilots clearly hadn’t done their homework, and were just winging it (no pun intended):
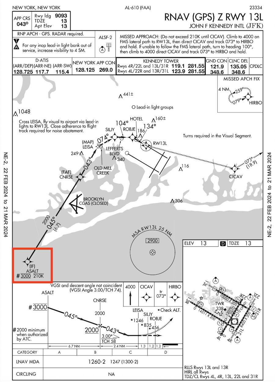
- The approach controller cleared the plane to fly direct ASALT, to cross ASALT at 3,000, and to fly the RNAV Z RWY 13L approach (I understand many people may be not be familiar with the details of this, but the point is that each of those details is important, and should be acknowledged by the pilot)
- The pilot simply responded by confirming they were cleared for the RNAV runway 13L approach, and didn’t read back that they were supposed to fly direct ASALT
- The controller reminded the pilot of that, though the pilot had no clue what she was talking about, and then simply responded with “roger,” not actually confirming the details
- A while later, it was clear the pilot still had no clue what he was supposed to do, so he asked the controller to spell out ASALT, which is the initial approach fix for 13L and 13R
- The pilot was then landed over to the tower controller and was cleared to land on runway 13L, and he read back those instructions correctly
- In the meantime, a Turkish Airlines Boeing 787-9 was cleared to line up and wait on runway 13R, the parallel runway to 13L, on the opposite side of the airport
- At that point, the tower controller (yes, it’s *that* guy, though he’s really calm here, so it’s hard to tell) was about to clear the Turkish Airlines plane for takeoff, but you could hear someone in the background in the tower saying “don’t do it, Viva lined up for 13R”
- In the meantime the Viva A321neo lined up for runway 13R and got as low as 500 feet, before the pilot called a go around
From there, the Viva A321neo shot a similar approach, which was successful. Then the pilot was given landing clearance again, and I got a good chuckle out of how the controller emphasized how they were cleared to land on “runway 13 *LEFT*.” As you’d expect, once on the ground, the pilots got a number to call, for a possible pilot deviation.
This incident was super embarrassing and concerning
The first thing that stood out to me about this interaction is how incredibly calm all the JFK controllers remained. Often they’ll go from zero to 100 over a lot less, while in this case, they’re just like “meh.” So kudos to them for that. I was confused hearing that one controller not raising his voice, for once.
As far as these Viva pilots go… what on earth was going on here? I’m not suggesting they’re bad at flying planes, but they’re certainly not good at preparing for approaches, including to some of the busiest airspace in the country.
Individual mistakes happen, but this just comes down to unpreparedness, as they obviously hadn’t briefed the approach. For those who may not appreciate how simple the instructions were, they were given the RNAV Z approach for runway 13L, and were told to fly direct ASALT.
If they had been looking at the map (which they should’ve), they would’ve seen the initial fix for this is ASALT. That didn’t come out of left field, and that’s an instruction they should’ve been expecting. Instead, that caused a ton of confusion… how?!

As a result, the communication was really poor, with the pilots only partially reading things back, and then following up way too late to ask things to be spelled out. As you can see in the above video, the approach for runway 13L and 13R is incredibly challenging, given the last minute turn it involves.
So to see them attempt that approach and then line up with the wrong runway is really bad. Also, there are some situations where you can sort of understand how someone may end up approaching the wrong runway. This approach shouldn’t be one of these. It’s not like 13L and 13R are right next to one another — quite to the contrary, all the terminals are between the two runways, so there are a lot of visual clues, and they’re quite far apart.
I’m not sure if this comes down to a training issue at the airline, two very indifferent pilots being paired together, or what. Going back a few years, a Viva plane attempted to take off from a taxiway at Chicago O’Hare Airport (ORD), in what can only be described as another strange incident for the carrier.
Bottom line
A Viva Airbus A321neo approached JFK with two pilots who were clearly unprepared. They couldn’t follow basic instructions, acted as if the initial fix for their planned approach was gibberish, and then tried to land on the wrong runway. All the while, JFK controllers remained rather calm, which is a rare treat.
While this wasn’t as close of a call as we’ve otherwise sometimes seen, it is one of the stranger incidents we’ve seen in some time, in my opinion.
What do you make of Viva’s approach to JFK?
Algunas veces no se equivoca de pista sino inclusive de aeropuerto,la maniobra de irse al aire es perfectamente normal y nó se debe criticar a los pilotos como se está haciendo, para éso existen los radares y controladores. No exageren por favor
The pilot clearly wasn't familiar with JFK because almost nobody ever lands on 13R, it's almost exclusively used for takeoffs...
I expect ATC was calm because they recognized this was actually a potentially dangerous situation, and professional instinct kicked in. As opposed to their usual state of being grumpy New Yorkers who argue with pilots to relieve boredom.
At the end of the day the US has very old ATC procedures. So, I'm not surprised this happened.
Someone from NYC said "Thank you!"? Is that a world record?
This is exactly why certain jurisdictions need to completely blacklisted from flying over US airspace. Mexico is well known for being able to pay off a few people to pass licensing requirements. These pilots should have been required to pass all FAA approved training in the US or somewhere with reliable regulators.
Inexperienced crews? I mean, most Mexican pilots should have flown the approaches at MEX, which is plenty "big airport in a huge city" so presumably they're not just confused by their first time at a major airport. Poor training & inexperience, I'd guess...
Anecdotal experience regarding professionalism, but in visits to 50+ countries only a lazy Mexican immigration officer flipped to the last page of my passport to stamp instead of spending a few seconds to find the next available space or blank page.
There was another minor kerfuffle on the JFK Final frequency at about 4pm on Dec 30. Heavy arrival traffic flow to Runways 31, and an Air France 777 pilot finally objected to one too many vectors. The belligerent training controller broker in on the trainee, and scolded the pilot right back. Pilot: “Left, right, left, right, we are getting sick up here”. Words to that effect. In my view (former ATC), there really wasn’t a...
There was another minor kerfuffle on the JFK Final frequency at about 4pm on Dec 30. Heavy arrival traffic flow to Runways 31, and an Air France 777 pilot finally objected to one too many vectors. The belligerent training controller broker in on the trainee, and scolded the pilot right back. Pilot: “Left, right, left, right, we are getting sick up here”. Words to that effect. In my view (former ATC), there really wasn’t a right or wrong in this particular case. So, funny, but yeah, only here in NY, right?
Lucky, you should be calling these Mexican airlines out. Now Viva and Volaris will be merging so essentially the same airliners. Volaris caused a near fatal and disastrous incident at IAH… this is very concerning for Mexican aviation. A lot of their pilots are very young and brand new and they do not have a 1500 hour requirement like the US…
Call them out Lucky! This is very concerning.
The name of the airline is Viva Aerobus, not Airbus
@ Jd — The carrier’s name is now just Viva, there’s no Aerobus in the name anymore.
@Ben
You wrote Viva Airbus in the 'Bottom Line' section, thus the correction...
@ Jd -- I believe I wrote "Viva Airbus A321neo," with the "Airbus A321neo" referring to the aircraft type, and not the airline. While you're right that Viva's website still has the "Aerobus" in the URL, the airline has officially rebranded:
https://mexicobusiness.news/aerospace/news/viva-aerobus-rebrands-viva-new-logo-and-livery
Ok, makes sense
@Ben
Fyi - The airline website is vivaerobus.com
Ben is right on about this.
Putting the IFR plate for JFK on the site is precisely the kind of data that proves that there are procedures that need to be followed and this crew did not do that or even know what they were supposed to be doing.
I suspect that there will be some communications w/ Mexico's aviation authority
No korrecto. To be a good pilot includes the ability to communicate and to navigate in congested airspace, especially when operating an airliner with many souls on board.
We must to be more critical without being afraid to offend minorities. This is a life and death endeavor after all.
One has to wonder if this was a language problem and the pilots simply didn't understand English. Yes they're required to speak English, but it's often a second language and some pilots aren't that good.
I’m quite shocked about this, since I fly viva all the time in Mexico and the pilots have always been great and professional. Plus they’re used to congestions considering how chaotic Mexico City is so it’s not like it’s their first time at a major airport.
I fly into JFK countless times per month and I still over-familiarize myself with the days operation. How could anyone who ever flies or plans to fly an approach into JFK not know ASALT is ludicrous.
Much ado about nothing. Happens more often than you think. Planes have even lined up into a parallel taxiway. That's why the controllers didn't raise temperature.
The initial ASALT confusion seems to be an accent problem. They flew the course correctly. The only mistake they made was an early turn into 12R on a normal approach. Looks like a visual approach so probably just got confused with the lights. Likely their first flight into...
Much ado about nothing. Happens more often than you think. Planes have even lined up into a parallel taxiway. That's why the controllers didn't raise temperature.
The initial ASALT confusion seems to be an accent problem. They flew the course correctly. The only mistake they made was an early turn into 12R on a normal approach. Looks like a visual approach so probably just got confused with the lights. Likely their first flight into JFK.
Sure, it wasn't professionally done but happens often enough.
@ GV -- I respect your take, and in isolation, I'd agree. It's one thing if they couldn't get the ASALT detail right, but then lined up with the correct runway. But the fact that they did both (among other things) suggests they weren't prepared for the approach. Do you have a different take on that?
If you're flying the RNAV Z 13L you'd expect to be cleared to ASALT, so can this really be...
@ GV -- I respect your take, and in isolation, I'd agree. It's one thing if they couldn't get the ASALT detail right, but then lined up with the correct runway. But the fact that they did both (among other things) suggests they weren't prepared for the approach. Do you have a different take on that?
If you're flying the RNAV Z 13L you'd expect to be cleared to ASALT, so can this really be an accent issue, when they were utterly confused by that instruction? I'd argue that between English and Spanish, it's actually one of the terms that should be easier to understand.
As a pilot (general aviation small jets), I frequently fly into congested terminal areas and airports. I agree with Ben, this lack of preparedness and basic understanding of the approach plate is what I would expect from someone with very few hours, flying much smaller equipment.
I am just guessing from their initial path their default flight plan had DVETO as next fix in their nav before ASALT to join visual to Runway 13. And may be they were fixated mentally on that to absorb the direct ASALT when they were given that instruction. So, asked for that again as that might not have been visible on their NAV screen.
Hard to second guess without knowing their default flight plan entered,...
I am just guessing from their initial path their default flight plan had DVETO as next fix in their nav before ASALT to join visual to Runway 13. And may be they were fixated mentally on that to absorb the direct ASALT when they were given that instruction. So, asked for that again as that might not have been visible on their NAV screen.
Hard to second guess without knowing their default flight plan entered, the initial contact to request the approach and the interaction there, etc.
If they had flown frequently into JFK, they might have experienced both options and be prepared.
Some airlines provide annotated approach plates to their pilots to be briefed. Because, there may be multiple options for a given approach plate.
Don't know what they had been given before.
The turn to 13R was a f-up but I think just the same underlying cause of first time flight into JFK.
I agree it shouldn't happen but these things keep happening even with experienced pilots.
Wouldn't necessarily attribute to lack of preparedness. First time jitters may be.
Modern avionics has dumbed down piloting I think to be less situationally aware than without it.
This ignores that they would have had a full scale deflection on their CDI when they lined up with 13R as the distance between the runways is 1NM
Totally different than a